Typical application for our single toggle jaw crushers are in mining, quarrying & recycling. The jaw crushers handleores,rockgraveland recycledconcrete.
Theseruggedmachinesare manufactured with heavy duty parts for constant operationandlonglife
Eachmachineisbackedup by Hindustan total after marketservicesandspares partssupport.
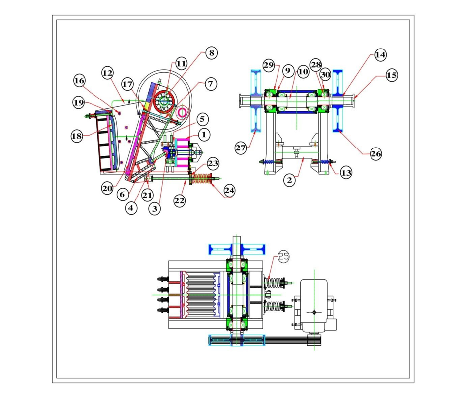
Cross-Section of Single Toggle JawCrusher
Main Frame &Jaw Stock
Fully fabricated heavy duty design on all models. Fully Stress relieved after fabrication. Our design have seen thoroughlyfield testedunderarduouscondition.
Heavy-duty frames of low carbon steelplate,reinforcedwithribs,are fabricated with all mounting surfaces fully machined to accurately align critical component.
Jaw Stock & main bearing housings can be removed from the frameasanassembly.Thejawstock is a robust box construction with fully machined face to support movingjaw.
Jaw Plate &Shaft
Back Faces of all jaw are machine ground to provide firm support. Two piece reversiblejawsareprovided on our crushers to allow maximum jaw life. The jaw facesarefullyreversible.
Forged from hardened andtemperedalloysteel with particularly large diameters to suit heavy- dutyapplications.
High fatigueresistance due to a fine finish and elimination of screw threads and sharp radii which can contribute to stressconcentration.
Single Toggle Jaw CrusherSpecification
Benefits andFeatures
One Piece frame of Great Strength: Heavy fully welded and stress relieved.
Fatigue Resistance: Large diameter forged alloy steel eccentric shaft, polished to fine finish with no screw threads or sharp radii that can cause stress concentration.